|
|
|
|
功分器 |
|
|

|
 |
| |
 |
2-Way 功分器: 接头封装, .004-3000 MHz;接头封装, 10-30 watts, to18 GHz; 高功率, 100-500 watts
3-Way 功分器: 接头封装, 0.5-20 GHz
4-Way 功分器:接头封装, 0.5-18 GHz;高功率25-400watts
6-Way 功分器:接头封装, 0.8-22 GHz
8-Way 功分器:接头封装, 0.8-18 GHz
12, 16-Way 功分器:低频率, 0.01-2000MHz ;高频率,0.5-18GHz
8-Way 功分器 - 0° 0.8-18GHz |
频率(GHz) |
插损(dB)MAX. |
隔离(dB)MIN. |
幅度平衡(dB)MAX. |
相位平衡(°)MAX. |
驻波比MAX. |
P/N |
0.5-1.0 |
0.8 |
20 |
0.4 |
5.0 |
1.30:1 |
OPD8-01-454/5N |
0.5-1.0 |
0.8 |
20 |
0.4 |
5.0 |
1.30:1 |
OPD8-01-454/1S |
0.85-1.7 |
0.8 |
20 |
0.4 |
5.0 |
1.30:1 |
OPD8-02-454/1N |
0.85-1.7 |
0.8 |
20 |
0.4 |
5.0 |
1.30:1 |
OPD8-02-454/1S |
0.5-2.0 |
1.0 |
18 |
0.6 |
8.0 |
1.50:1 |
OPD8-19-454/1N |
0.5-2.0 |
1.0 |
18 |
0.6 |
8.0 |
1.50:1 |
OPD8-19-454/1S |
1.0-2.0 |
0.8 |
18 |
0.4 |
8.0 |
1.40:1 |
OPD8-03-454/1N |
1.0-2.0 |
0.8 |
20 |
0.4 |
5.0 |
1.35:1 |
OPD8-03-454/1S |
0.8-2.2 |
1.0 |
18 |
0.6 |
8.0 |
1.50:1 |
OPD8-14-454/1S |
1.0-3.0 |
1.0 |
16 |
0.6 |
8.0 |
1.50:1 |
OPD8-04-454/1N |
1.0-3.0 |
1.0 |
16 |
0.6 |
8.0 |
1.50:1 |
OPD8-04-454/1S |
2.0-4.0 |
0.8 |
17 |
0.4 |
8.0 |
1.45:1 |
OPD8-05-454/2N |
2.0-4.0 |
0.8 |
18 |
0.4 |
5.0 |
1.45:1 |
OPD8-05-454/2S |
3.625-4.25 |
1.0 |
18 |
0.5 |
9.0 |
1.40:1 |
OPD8-06-454/2N |
3.625-4.25 |
1.0 |
18 |
0.5 |
8.0 |
1.40:1 |
OPD8-06-454/2S |
0.5-6.0 |
1.5 |
20 |
0.4 |
8.0 |
1.40:1 |
OPD8-12-454/5S |
5.8-6.4 |
1.0 |
18 |
0.6 |
9.0 |
1.40:1 |
OPD8-07-454/4N |
5.8-6.4 |
1.0 |
18 |
0.6 |
8.0 |
1.40:1 |
OPD8-07-454/2S |
0.5-8.0 |
2.6 |
18 |
0.8 |
10.0 |
1.60:1 |
OPD8-18-454/8S |
2.0-8.0 |
1.4 |
16 |
0.7 |
10.0 |
1.60:1 |
OPD8-08-454/4N |
2.0-8.0 |
1.4 |
16 |
0.7 |
10.0 |
1.60:1 |
OPD8-08-454/4S |
4.0-8.0 |
1.4 |
16 |
0.6 |
10.0 |
1.60:1 |
OPD8-09-454/4N |
4.0-8.0 |
1.4 |
17 |
0.6 |
10.0 |
1.60:1 |
OPD8-09-454/4S |
7.2-8.5 |
1.5 |
20 |
0.5 |
10.0 |
1.60:1 |
OPD8-10-454/4N |
7.2-8.5 |
1.3 |
20 |
0.5 |
10.0 |
1.60:1 |
OPD8-10-454/4S |
8.0-14.0 |
1.3 |
16 |
0.5 |
12.0 |
1.70:1 |
OPD8-11-454/4S |
3.0-15.0 |
1.3 |
15 |
0.5 |
12.0 |
1.80:1 |
OPD8-15-454/3S |
2.0-18.0 |
2.2 |
15 |
0.6 |
15.0 |
1.70:1 |
OPD8-13-454/3S |
0.5-18.0 |
6.5 |
16 |
1.2 |
15.0 |
1.60:1 |
OPD8-16-454/8S |
5.0-18.0 |
1.5 |
15 |
0.5 |
12.0 |
1.70:1 |
OPD8-17-454/4S |
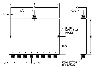
Outline |
Conn. |
A |
B |
C |
D |
E |
F |
G |
H |
J |
K |
L |
454/1S |
SMA |
4.50 |
3.00 |
0.40 |
.50 |
.50 |
4.00 |
.125 |
.250 |
- |
- |
- |
454/2S |
SMA |
4.10 |
2.15 |
0.40 |
.30 |
.50 |
3.75 |
.125 |
.175 |
- |
- |
- |
454/3S |
SMA |
4.00 |
3.70 |
0.40 |
.25 |
.50 |
3.50 |
.125 |
.250 |
- |
- |
- |
454/4S |
SMA |
4.00 |
2.00 |
0.40 |
.25 |
.50 |
3.75 |
.150 |
.125 |
- |
- |
- |
454/5S |
SMA |
5.00 |
7.50 |
0.40 |
.25 |
.50 |
4.70 |
.150 |
.150 |
1.50 |
2.50 |
2.50 |
454/6S |
SMA |
4.00 |
2.25 |
0.50 |
.25 |
.50 |
3.75 |
.150 |
.125 |
- |
- |
- |
454/7S |
SMA |
4.75 |
3.20 |
0.52 |
.25 |
.60 |
4.45 |
.125 |
.150 |
- |
- |
- |
454/8S |
SMA |
6.00 |
6.36 |
.40 |
.25 |
.50 |
5.75 |
.140 |
.120 |
1.16 |
4.00 |
1.19 |
|
|
|
|
|
|
|
|
|
|
|
|
|
454/1N |
N |
8.00 |
3.00 |
1.00 |
.50 |
1.00 |
7.60 |
.125 |
.200 |
- |
- |
- |
454/2N |
N |
8.00 |
2.30 |
1.00 |
.50 |
1.00 |
7.60 |
.125 |
.200 |
- |
- |
- |
454/3N |
N |
8.00 |
4.00 |
1.00 |
.50 |
1.00 |
7.70 |
.150 |
.150 |
- |
- |
- |
454/4N |
N |
8.00 |
2.50 |
1.00 |
.50 |
1.00 |
7.70 |
.150 |
.150 |
- |
- |
- |
454/5N |
N |
8.50 |
4.00 |
1.00 |
.75 |
1.00 |
7.87 |
.150 |
.315 |
- |
- |
- |

Outline 454

Outline 454/5S

Outline 454/8S
|